
ny STM8S103F3P6 dia microcontroller 8-bit manamboatra amin'ny stmicroelectronics, nalaza noho ny fiasa mahavariana sy ny fampidirana seamless.Ity fitaovana compact ity dia misy fitaovana haingam-pandeha (SMD) misy haingam-pandeha (SMD) Fitaovana sy ny periphers efa mandroso sy periphers izay voaroy amin'ny teknolojia tapaka.Miaraka amin'ny famantaranandro amin'ny famantaranandro 16 MHz, ny STM8S103F3P6 dia mirehareha ny fahaizan'i I / ONy famantaran'ny mpiambina tsy miankina, izay manana rafitra fiarovana amin'ny famantaranandro sy ny rafi-pitandremana momba ny famantaranandro, dia manome antoka ny fampisehoana fitaovana sy ny fahavoazana momba ny fanelingelenana mety hitranga.
Ny iray amin'ireo endri-javatra fijery dia ny fitadidiana ny tselatra, izay manome tahiry tsy misy fiakarana ho an'ny code sy data.Miaraka amin'ny volavolan-dalàna momba ny volavolan-dalàna avy amin'ny 1,95 v ka 5,5 v, ity microcontroller ity dia tena mahay sy mifanaraka amin'ny fampiharana isan-karazany.Ankoatr'izay, dia manolotra mari-pana isan-karazany isan-karazany amin'ny -40 ° C ka hatramin'ny 85 ° C, izay mety hahatonga azy mety amin'ny fametrahana ny toe-piainana samihafa.
• MSP430G2353
• Pic16lf18444t
• STM8S103F3P3


Ny fanjifana herinaratra ambany: misy ny fomba fanjifana herinaratra ambany hofidina, ao anatin'izany ny fomba fidiovana, ny fomba fatoriana, ny fomba fatoriana ary ny fomba fiasa, izay afaka manitatra ny fiainana amin'ny bateria ary manitatra ny herin'ny bateria ary hamonjy ny angovo.
Fomba iray avo lenta: Mampihatra ny maritrano STM8 STMARST STM8 izay mamela ny fatra miasa ho avo lenta amin'ny 16mhz, izay manatsara ny hafainganam-pandehan'ny fampiharana ary manome fahaiza-manao mahomby amin'ny fampiharana azy ireo.
Fifandraisana iraisam-pirenena mifampiresaka: Manohana ny fifandraisana mifampiresaka isan-karazany ao anatin'izany ny SPI (Serial Peripheral Interface), I2C ary UART.Amin'ny alàlan'ny fifandraisana ireo dia afaka mifampiresaka sy mifanerasera amin'ny fitaovana ivelany hanatrarana fiasa sy fampiharana bebe kokoa.
Be peripherals: Ny microcontrolls stm8s103f3p6 dia manana loharano periferal, anisan'izany ny 16kb ny fahatsiarovana tselatra ary 1kb amin'ny fahatsiarovana ondrilahy, ary koa ny fifandraisan'ny pinus, ny timer, ary ny UART.Ny fahasamihafan'ireto periferana ireto dia mahatonga ny fitaovana mety amin'ny sehatra fampiharana isan-karazany ary afaka mahafeno ny filan'ny sehatra samihafa sy ny indostria samihafa.Na fanaraha-maso ny indostria, trano an-trano, na rafitra voampanga, stm8s103f3p6 dia afaka manome fanampiana.

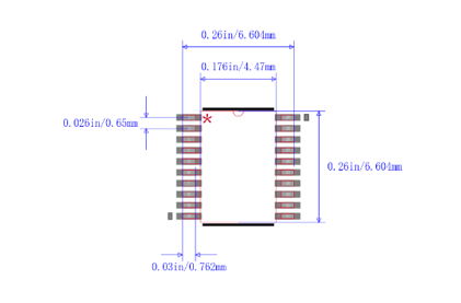
Ny STM8S103F3P6 dia nofonosina ao anaty fonosana fanakorontanana kely ambany (TSSOP) ary manana pins 20.Ny vatana sy ny fitetezana dia kely kokoa noho ny fonosana soic mahazatra.Ny endri-javatra mahazatra amin'ny TSSOP dia ny fananganana pinor manodidina ny sombin-tsofina vita amin'ny fonosana, izay mety ho an'ny fitrandrahana ny tariby amin'ny PCBS amin'ny fampiasana ny teknolojia SMT.Rehefa mampiasa fonosana TSSOP, ny tarehimarika parasita (famoahana ny famotsoran-keloka vokatry ny fiovana lehibe amin'ny ankehitriny) dia kely kokoa, ka mety amin'ny fampiharana avo indrindra.Ity karazana fonosana ity dia mora kokoa ny miasa ary manana fahatokisana avo kokoa.
Ny fonosana TSSOP dia manana ireo endri-javatra manaraka ireto:
• Ny elanelana PIN kely: Ny elanelam-paty dia 0.5mm na 0.65mm.Amin'ny alàlan'ny famolavolana ny bara-barangam-borona varahina, ny fitaovana maro kokoa dia apetraka amin'ny Birao fizaran-tany miaraka amin'ny faritra sy ny habeny mitovy.
• Fampiharana midadasika be: azo ampiharina amin'ny sehatry ny fampiharana isan-karazany toy ny microcontrollers, DSPS, sôkôlà, sôkôlà ary famatsiana herinaratra.
• Fisainana PIN avo: Ny isan'ny Pins dia manodidina ny 20 ka hatramin'ny 64, izay afaka mihaona amin'ny fepetra integration sasany.
• Ny haben'ny fonosana kely: raha ampitahaina amin'ny fonosana kely (toy izany) dia kely kokoa ny haben'ny fonosany, ny hatezerany, ary ny volony dia kely kokoa, ka mety ho tsara ny fonosana mivezivezy avo lenta.
• Fampisehoana avo be: Manam-paharetana ny Teknolojia sy ny fanoherana sy ny fanoherana ny haingam-pandeha, ary afaka mahafeno ny fepetra manokana toy ny hafainganam-pandeha ambony, avo lenta, ny fotoana fohy sy ny tsy fahatomombanana.
Raha tsy voafaritra manokana dia ny VSS rehetra no resahina.
Ny soatoavina faran'izay kely sy ambony indrindra dia azo antoka eo ambany toe-javatra ratsy indrindra, izay mirona amin'ny mari-pana ambient, manome ny volavolan-kevitra ary ny fatra matetika.Ireo antoka ireo dia naorina amin'ny alàlan'ny fitsapana famokarana ara-drariny izay natao tamin'ny 100% ny fitaovana, natao tamin'ny mari-pana amam-peo amin'ny TA = 25 ° C sy TA = TAMAX (araka ny voafaritry ny mari-pana).
Ny soatoavina mifototra amin'ny valim-pifidianana, famolavolana sy / na toetra ara-teknolojika dia voasoritra ao amin'ny boaty fanamarihana ambany pejy ary tsy mbola misy fitsapana famokarana.Mikasika ny toetra, ny soatoavina ambany sy farany dia mifandraika amin'ny fanombanana ny santionany ary manondro ny lanjany midika hoe andaniny miampy na minus intelo intelo ny fivoarana mahazatra (midika hoe 3σ).
Raha tsy voalazotra mazava tsara, ny angon-drakitra fenitra dia napetraka miaraka amin'ny TA = 25 ° C, vdd = 5 V. Ireo soatoavina ireo dia omena fotsiny ho toy ny fanondroana endrika fotsiny ary tsy misy fitiliana.
Ny fahamarinan'ny soatoavina ADC dia miorina amin'ny alàlan'ny fanehoana santionany amin'ny santionany avy amin'ny fenitra fenitra manerana ny seho feno.Amin'ity toe-javatra ity, ny 95% amin'ireo fitaovana dia mampiseho hadisoana ao anatin'ny sanda voafaritra (midika hoe ± 2σ).
Raha tsy aseho manokana, ny sary rehetra mahazatra dia natao ho toy ny fanondroana endrika fotsiny ary tsy niatrika fitsapana.
Mihoatra ny mari-pahaizana farany voafaritra tsara indrindra dia mety hiteraka fahavoazana maharitra amin'ny fitaovana.Ireo mari-pamantarana ireo dia manondro ny fetran'ny adin-tsaina fa afaka miaritra ilay fitaovana, ary tsy midika izany fa ny fitaovana dia hiasa tsara eo ambanin'ireo toe-javatra ireo.Ny fiparitahana amin'ny toe-javatra na eo akaikin'ny tahiry ambony indrindra dia mety hisy fiantraikany amin'ny fahatokisan'ny fitaovana.
Ny mombamomba ny iraka ampanaovina azy, izay mamaritra ny toe-piainana fampiharana azy, mifanaraka amin'ny fenitra fahazoan-dàlana Jedec Jesd47, miaraka amin'ny mombamomba ny asa fitoriana izay azo ampiasaina.
Mba hahatratrarana ny fitoniana ho an'ny Regulator Kilonga dia tokony ho mifandray amin'ny PIN VCAP ny CXTACITIA ivelany.Tena ilaina ny miantoka fa mijanona ao ambanin'ny 15 NH ny fampiroboroboana andian-dahatsoratra.
Ny fanjifana amin'izao fotoana izao dia refesina araka ny aseho amin'ny sary manaraka.

Ny famatsiana totalin'ny fividianana ankehitriny amin'ny fomba run
Ny MCU dia apetraka amin'ireto fepetra manaraka ireto:
• Ny peripherals rehetra dia tsy manan-kery (ny famantaranandro dia najanon'ny famantaranandro peripheral ratisma) afa-tsy raha voatonona mazava tsara.
• Ny Pins I / O rehetra amin'ny fomba fampidirana miaraka amin'ny lanjan'ny static amin'ny VDD na VSS (tsy misy entana)
Mifototra amin'ny fepetra amin'ny fandidiana ankapobeny ho an'ny VDD sy Ta.

STM8S103F3P6 dia manana pins 20, ny anaran'izy ireo sy ny fiasa dia toy izao manaraka izao:
Pin1 (PD4 / Beep / tim2_ CH1 / UART1 _ck): Port D4
PIN2 (PD5 / AIN5 / UART1 _TX): Port D5
PIN3 (PD6 / AIN6 / UART1 _RX): Port D6
PIN4 (NRST): Reset
Pin5 (PA1 / OSCIN): Port A1
PIN6 (Pa2 / Oscout): Port A2
Pin7 (VSS): Ground Ground
Pin8 (VCAP): 1.8 v Regulator Capacitor
Pin9 (VDD): famatsiana herinaratra nomerika
PIN10 (Pa3 / tim2_ CH3 [SPI_ NSS]): Port A3
PIN11 (pb5 / i2c_ sda [tim1_ bkin]): Port b5
PIN12 (PB4 / I2C_ SCL): seranan-tsambo b4
PIN13 (PC3 / TIM1_CH3 [TLI] [tim1_ Ch1n]): Port C3
Pin14 (PC4 / CLK_CCO / TIM1_ CH4 / AIN2 / [tim1_ Ch2n]): Port C4
Pin15 (PC5 / Spi_SCK [tim2_ CH1]): Port C5
PIN16 (PC6 / SPI_MOSI [tim1_ CH1]): Port C6
PIN17 (PC7 / SPI_MISO [tim1_ CH2]): Port C7
PIN18 (PD1 / milomano): Port D1
Pin19 (PD2 / AIN3 / [tim2_ CH3]): Port D2
Pin20 (PD3 / AIN4 / TIM2_ CH2 / ADC_ ETR): Port D3
Araka ny asehon'ny tarehimarika etsy ambony, ny STM8S103F3P6 dia mahatratra hatramin'ny 16 I / O Pins, izay azo ampiasaina amin'ny tanjona maro isan-karazany, toy ny GPIO, Perifher Interfaces, ADC, sns Ny Bidirectional ary metyampiasaina ho toy ny basy fampidirana hamakiana famantarana ivelany ivelany na ho toy ny baoritra famoaham-bokatra handefasana famantarana ho an'ny fitaovana ivelany.Ankoatr'izay, ny PIN tsirairay I / O dia afaka manolo-tena mahaleo tena an-kery mba hanamorana ny fanodinana marina amin'ny fanelingelenana rehefa mitranga izy ireo.
• Systems automation: Ity microcontroller ity dia azo ampiasaina amin'ny rafitra automation toy ny ambainy herinaratra, rafitra fanaraha-maso ny fidirana, fifehezana ny mari-pana ary ny fifehezana ny jiro.
• Fampiharana (Internet amin'ny zavatra): Raha mila mamolavola fitaovana iot isika, dia azo ampiasaina ho mpandrindra ho an'ny nodes amin'ny IOT
• Fitaovana elektronika manokana: nampiasaina tamin'ny fakantsary nomerika, mp3 sy mpilalao MP3 sy mpilalao MP3, Consoles Lalao Electronic Consoles, sns.
• Fitaovana elektronika: nampiasaina mba hamolavola fitaovana elektronika isan-karazany
, toy ny kilalao elektronika, ny fanaraha-maso lavitra, ny kajy mini, sns.
• Fielim-indostrialy: ampiasaina amin'ny PLC, mpanara-maso indostrialy, fampandehanana ny automatique sy ny fandefasana fitaovana fanaraha-maso mandeha ho azy, sns.
• Ny fahazoana ny angon-drakitra sy ny sensor: zatra manara-maso ny toe-piainana sy ny angon-drakitra na hampifandray ny sensor isan-karazany toy ny sensor hazavana, ny sensor mafana ary ny mpandefitra.
• rafitra fanaraha-maso natao: nampiasaina hamolavola rafitra fanaraha-maso isan-karazany, toy ny kojakoja ao an-trano, ny fitaovana indostrialy, ny fitaovana, sns dia ampy ho an'ny asa fifehezana tsotra 8-bit.
Ny STM8S103F3P6 dia chip microcontroller novolavolain'ny stmicroelectronics.Anisan'ny fianakaviana STM8 amin'ny microcontroller 8-bit ary be dia be amin'ny rafitra sy ny rindranasa samihafa.
STM8S103F3P6 Microcontroller unit dia manana 640 bit rom, 10-bit 5-channels ADC, 1kb Ram ary miaraka amin'ny haben'ny fahatsiarovana ny 8kb.
Azontsika atao ny manolo ny STM8S103F3P6 miaraka amin'ny MSP430G2353, pic16lf18444t, STM8S103F3p3, STM8S103F3p3tr na STM8S103f3p3T.
Eny, ny STM8S103F3P6 dia namboarina miaraka amin'ny endri-jiro ambany ary azo ampiasaina amin'ny fangatahana herinaratra na ambany-jiro izay ilaina ny fahombiazan'ny angovo.
Ny endri-javatra manan-danja sasany ao amin'ny STM8S103F3P6 dia misy ny GPIO (Fiainana ankapobeny / Output), UART (Universal Asynchronous mpandray, fifandraisana, SPI
MOMBA ANAY
Ny fahafaham-po amin'ny mpanjifa isaky ny misy.Fifampatokisana sy tombontsoa iraisana iraisana.
Fanondroana ara-teknika amin'ny sela Count Cell Call Cell Call
2024-08-02
Torolàlana feno ho an'ny ATMEGA328-PU microcontroller
2024-08-02
Email: Info@ariat-tech.comHK TEL: +852 30501966ampiana hoe: Rm 2703 27F Ho King Comm Center 2-16,
Fa Yuen St MongKok Kowloon, Hong Kong.